ЖРД РД-0203/0204 (8Д43/8Д44)

История разработки

В 1961 в ОКБ-154 (ныне КБХА) началась разработка двигателей РД-0203 (8Д43) и РД-0204 (8Д44) (ведущий конструктор — В.П.Козелков) для первой ступени ракеты УР-200 (8К81) и двигателя РД-0206 (8Д47) (ведущий конструктор — Л.А.Поздняков), унифицированного с двигателями РД-0203/0204, - для второй ступени той же ракеты. Двигатели, работавшие на высококипящих компонентах топлива АТ+НДМГ, были выполнены по новой для КБ схеме с дожиганием окислительного генераторного газа, что позволило более чем в 2 раза увеличить давление в камере сгорания по сравнению с предыдущими двигателями КБ.

Три двигателя РД-0203 и один двигатель РД-0204 при использовании в составе первой ступени ракеты УР-200 образуют двигательную установку РД-0202 (8Д45). Один двигатель РД-0206 и рулевой четырехкамерный двигатель РД-0207 (8Д67) образуют двигатель РД-0205 (8Д46).

29 апреля 1962 года вышло Постановление Совета Министров СССР о разработке ракеты УР-500 (8К82). В конструктивно-компоновочной схеме, утвержденной в мае 1962 года, на первой ступени было установлено 4 неподвижных двигателя РД-253 (11Д43) и 4 качающихся ЖРД РД-0203 от УР-200. Однако уже в эскизном проекте, законченном в 1963 году, эта связка была заменена на 6 двигателей РД-253 на качающемся подвесе.

4 ноября 1963 года состоялся первый пуск ракеты УР-200. Всего по 20 октября 1964 года было произведено 9 пусков. Однако на вооружение УР-200 принята не была, и в 1965 году работы по ней прекратились.

Двигатели РД-0203/0204 и РД-0206 стали базовыми для создания очередных ЖРД.

Так, на второй ступени ракеты УР-500 (8К82) были установлены 3 двигателя РД-0208 (8Д411) и один РД-0209 (8Д412) (ведущий конструктор — В.П.Козелков), прототипом для которых стал РД-0206 с увеличенной степенью расширения.

На второй ступени ракеты УР-500К (8К82К) были установлены 3 двигателя РД-0210 (8Д411К) и один РД-0211 (8Д412К) (ведущий конструктор — В.П.Козелков), разработанные на базе двигателей РД-0208 и РД-0209 соответственно. На третьей ступени этой ракеты был установлен двигатель РД-0212 (8Д49) (ведущий конструктор — Л.А.Поздняков), в состав которого входил однокамерный РД-0213 (8Д48), аналогичный двигателю РД-0211, и рулевой четырехкамерный двигатель РД-0214 (8Д811) тягой 3.15 тонны.

Краткая хронология создания двигателя

16 марта 1961 г. - выход Постановления ЦК КПСС и Совета Министров СССР о разработке ракеты УР-200 (8К81).

1961 г. - начало разработки двигателей РД-0203, РД-0204 и РД-0206.

4 ноября 1963 г. - первый пуск ракеты УР-200.

20 октября 1964 г. - последний (девятый) пуск ракеты УР-200.

1965 г. - прекращение работ по ракете УР-200.

16 июня 1965 г. - первый пуск двухступенчатой УР-500. Всего было произведено 4 запуска двухступенчатой ракеты УР-500. Третий запуск 24 марта 1966 года закончился аварией на участке работы второй ступени.

10 марта 1967 г. - первый пуск четырехступенчатой ракеты УР-500К. В качестве четвертой ступени была использована пятая ступень ракеты Н-1 (блок Д).

16 ноября 1968 г. - первый пуск трехступенчатой ракеты УР-500К.

Общие сведения

Ракетный двигатель РД-0203/0204 предназначен для использования в составе маршевых блочных ЖРД первых ступеней баллистических ракет 8К81. Связка из трех двигателей РД-0203 и одного двигателя РД-0204 образует двигательную установку РД-0202. ЖРД РД-0204 отличается от ЖРД РД-0203 наличием в его составе сигнализатора давления (см. схему рис.2). В остальном двигатели РД-0203 и РД-0204 аналогичны.

Топливные компоненты: окислитель - азотный тетроксид (АТ), горючее — несимметричный диметилгидразин (НДМГ).

Гарантийный срок хранения двигателя - 7.5 лет. Гарантийный срок хранения двигателя в составе изделия - 7 лет. Из них в полевых условиях - 3 года, в том числе в заправленном состоянии - 1 год.

Таблица 1. Технические параметры двигателя 8Д43/8Д44 [2]
Параметр Значение Единицы
Тяга
у Земли 500 кН
в пустоте 565 кН
Давление в камере сгорания 14.7 МПа
Давление на срезе сопла 0.059 МПа
Удельный импульс тяги
у Земли 2727.8±30 м/с
в пустоте 2952.8±70 м/с
Расход топлива
горючего 50.96 кг/с
окислителя 132.49 кг/с
суммарный 183.45 кг/с
Коэффициент соотношение компонентов 2.6 m(ок)/m(г)
Регулирование соотношения компонентов ±7 (max ±10) %
Время работы 145 с
Масса двигателя
сухого 415 кг

Рис.1. Двигатель РД-0203 [3]

Описание конструкции

Пневмогидравлическая схема

Описание


Рис.2. Пневмогидравлическая схема [2]

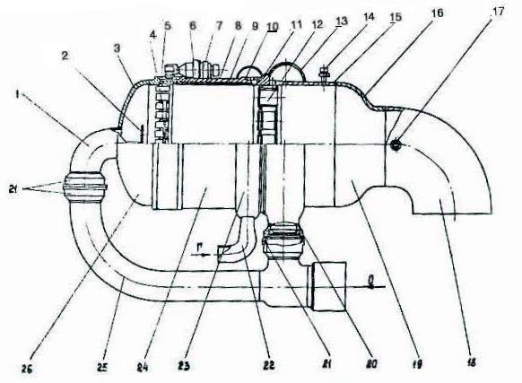
Двигатель состоит из камеры сгорания 1, ТНА 2, системы окислителя, системы горючего, системы газогенерации, агрегатов системы управления, регулирования и контроля режима двигателя.

Система окислителя включает в себя магистраль 3 подвода окислителя к преднасосу "О" 4 , клапан пуска 5 окислителя, насос окислителя, магистраль подвода окислителя в газогенератор 6 с клапаном отсечки окислителя 7.

Система горючего включает в себя магистраль 8 подвода горючего к преднасосу "Г" 9, клапан пуска 10 горючего, насос, горючего магистрали подвода горючего к камере 1 и газогенератору 6.

На магистрали подвода горючего к камере установлены дроссель 11 - исполнительный орган системы СОБ, клапан горючего главной ступени 12, клапан отсечки 13 горючего от камеры.

На магистрали подвода горючего к газогенератору установлены регулятор расхода 14 горючего в газогенератор – исполнительный орган системы регулирования тяги двигателя в системе РКС и клапан отсечки 15 горючего от газогенератора.

Для слива компонентов топлива из магистралей двигателя после клапанов пуска, в случае несостоявшегося старта, служат ручные вентили на клапанах 7 и 12.

Система газогенерации обеспечивает выработку окислительного газогенераторного газа - рабочего тела турбины турбонасосного агрегата. По выходе из турбины газ подается в камеру, где используется в качестве окислителя. Горючее на газогенератор 6 отбирается от насоса "Г", проходит регулятор расхода "Г" 14 - исполнительный орган системы регулирования тяги двигателя в системе РКС, клапан отсечки (15) горючего газогенератора, поступает в рубашку охлаждения газогенератора 6 и, через форсунки впрыскивается в камеру сгорания ГГ.

Окислитель в газогенератор подается непосредственно от насоса "О" по магистрали, на которой установлен клапан отсечки 7 окислителя.

Окислительный газ, вырабатываемый в газогенераторе, подается на турбину и, после нее, по газоводу 16 вводится в камеру сгорания камеры двигателя, где дожигается.

К агрегатам системы управления, регулирования и контроля режима двигателя относятся: регулятор 14 расхода "Г" в газогенераторе - исполнительный орган системы регулирования двигателя по тяге в системе РКС, датчик обратной связи 17, дроссель 11 исполнительный орган системы регулирования двигателя по соотношению компонентов в системе СОБ, клапан пуска окислителя 5, клапан пуска горючего 10, клапан эжектора (преднасоса) окислителя 18, клапан эжектора (преднасоса) горючего 19, сигнализаторы давления 20 и 21, клапан отсечки окислителя 7, клапан отсечки горючего от газогенератора 15, клапан отсечки горючего от камеры 13, клапан горючего главной ступени 12, клапан отсечки запуска 22, обратные клапаны продувки 23.

Регулятор 14, установленный на линии питания горючим газогенератора, обеспечивает двухступенчатый запуск и выход автоном­ного двигателя на заданный режим работы. При работе двигателя регулятор совместно с датчиком обратной связи 17, установленным на камере, обеспечивает устойчивую работу двигателя на заданном режиме, а также изменение режима работы двигателя (тяги) по команде от системы РКС ракеты.

Дроссель 11 является исполнительным органом системы синхронного опорожнения баков (СОБ). Сигнализатор 20 установлен только на камере двигателя 8Д44 и предназначен для выключения РД в случае преждевременного падания давления в камере.

Сигнализатор 21 свидетельствует о выходе двигателя на предварительный режим. Клапаны пуска окислителя 5 и горючего 10 обеспечивают отделение в исходном состоянии полостей ТНА от залитых компонентами магистралей и поступление топливных компонентов в полости при вскрытии клапанов (мембранного типа). Клапаны 16, 19 преднасосов "О" и "Г" - мембранного типа, прорываются давлением компонентов в процессе выхода двигателя на режим предварительной ступени.

Клапаны отсечки окислителя 7, горючего газогенератора 15 и горючего камеры 13 обеспечивает останов двигателя.

Клаланы 7, 12 и регулятор 14 в исходном состоянии, полуоткрыты чем обеспечивается выход двигателя на промежуточную ступень. Открытием клапанов 7, 12 и переводом регулятора 14 в рабочее состояние двигатель переводится на главную ступень.

Клапаны 7, 12, 13, 15 управляются стандартными пиротехническими средствами: пиропатроном типа ДП-2. Аналогичным образом обеспечивается перевод регулятора 14 в рабочее состояние.

Работа двигателя

Заправка

Заправка баков изделия обеспечивает заполнение топливными компонентами магистралей двигателя до пусковых клапанов окислителя 5 и горючего 10.

Исходное состояние агрегатов автоматики ПГС

Клапаны пуска "О" 5, пуска "Г" 10, клапаны 18, 19 преднасосов "О" и "Г" - закрыты.

В полуоткрытом состоянии находятся клапан отсечки "О" 7, клапан "Г" главной ступени 12. В состоянии открытия на предварительную ступень, находится также и регулятор расхода "Г" 14. Клапан 22 открыт.

Запуск двигателя

За 1±0.2 с до запуска от наземной установки в коллектор продувки поступает азот, который через обратные клапаны 23 поступает в полости камеры и газогенератора, продувая их. При поступлении азота в магистрали продувки замыкаются контакты сигнализатора давления, установленного в магистрали подвода азота, что делает дальнейшее прохождение команд на "ЗАПУСК" возможным.

Пусковая наземная система по команде "ЗАПУСК" обеспечивает подачу воздуха в пусковой коллектор двигателя, откуда воздух через клапан отсечки воздуха 22 и пусковые сопла поступает на лопатки турбины, приводя ее ротор во вращение. Одновременно, действием давления "пускового" воздуха нож пускового клапана "Г" 10 срезает мембрану и горючее начинает поступать в полость насоса горючего.

Через 0.44±0.028 с после команды "ЗАПУСК" подается напряжение на пиропатрон клапана воздуха 24, который открывается, обеспечивая поступление воздуха к клапану пуска “O” 5 и его открытие. Окислитель поступает в полость насоса “O”. Оба насоса двигателя включаются в работу. Горючее от насоса "Г" через регулятор 14, настроенный на предварительную ступень, клапан отсечки горючего газогенератора 15 поступает в охлаждающий тракт, форсуночную головку и, далее, камеру сгорания газогенератора. Одновременно, по линии питания камеры, горючее через дроссель 11, клапаны 12, 13 поступает в рубашку охлаждения камеры, полость ее форсуночной головки и, далее камеру сгорания.

Окислитель от насоса через клапан окислителя 7, находящийся в открытом состоянии, поступает в газогенератор (характеристики систем совокупно с циклограммой запуска обеспечивают опережение окислителя при поступлении компонентов в камеру сгорания ГГ). По поступлении в камеру сгорания газогенератора горючего процесс в газогенераторе завязывается, генераторный газ поступает на лопатки турбины, обеспечивая повышение ее оборотов, и по газоводам направляется в камеру. При поступлении в камеру сгорания горючего, в камере происходит воспламенение топливных компонентов, двигатель выходит на режим предварительной ступени.

В процессе выхода двигателя на режим предварительной ступени давлением компонентов прорываются клапаны 18, 19 эжекторов и компоненты топлива поступают на форсунки преднасосов. Возросшим давлением горючего закрываются также обратные клапаны продувки 23.

После срабатывания сигнализатора давления 21 на пиропатроны регулятора расхода "Г" 14 в газогенератор, клапан "О" 7 и клапаны горючего 12 подается напряжение, агрегаты перестраиваются, двигатель выходит на номинальный режим.

В момент, когда начинается подъем изделия со стартового устройства подается напряжение на пиропатрон клапана 22 отсечки запуска и включаются системы РКС и СОБ.

Работа схемы в полете

Параметры работающего двигателя соответствуют данным, приведенным в разделе 1. Заданный режим поддерживается датчиком обратной связи 17, установленном на камере двигателя.

Регулирование двигателя по тяге производится путем перекладки регулятора 14 по сигналу, подаваемому от системы РКС на привод регулятора. Ограничение сверху режима форсирования двигателя обеспечивается изменением температуры генераторного газа, и, при достижении ею 700К – прекращением перекладки регулятора на увеличение расхода вне зависимости от команды РКС.

Обеспечение одновременного опорожнения баков изделия осуществляется системой СОБ. В случае рассогласования относительных уровней компонентов сигнал от датчиков уровня, расположенных в баках топливных компонентов, подается на привод дросселя.

В процессе работы диапозон возможного изменения направления вектора тяги (угол качания) двигателя состовляет ±8°.

Выключение двигателя

При достижении изделием заданной скорости полета от системы управления изделия подается команда на проведение "НОРМАЛЬНОГО ОТКЛЮЧЕНИЯ" двигателя.

По этой команде подается напряжение на пиропатрон клапана отсечки 15 горючего от газогенератора. Через 0.12 ±0.044 с подается напряжение на пиропатроны клапанов отсечки "О" от газогенератора 7 и отсечки горючего от камеры 13. Одновременно выключается РКС и СОБ. Двигатель прекращает работу.

В случае преждевременного израсходования горючего или падения давления в камере сгорания двигатеря ниже 75%, от номинального значения сигнализатор давления 20 выдает команду на выключение двигателя, которое происходит аналогично нормальному выключению.

Камера

Камера сгорания представляет собой паяно-сварной неразъемный агрегат и состоит (см. рис.3) из газовода 1, форсуночной головки 2, средней цилиндрической части 3, двух сопловых блоков 4, 5 и бандажа.

Таблица 2. Технические параметры камеры [2]
Параметр Значение Единицы
Перепад на форсунках
окислителя 0.5 МПа
горючего 1 МПа
Давление компонентов на входе в камеру
окислителя 16.1 МПа
горючего 27.1 МПа
Диаметр цилиндрической части 276 мм
Диаметр критического сечения 163 мм
Диаметр среза сопла 870 мм
Габаритная длина камеры 1670 мм
Сухой вес 156 кг


Рис.3.1. Камера сгорания двигателей РД-0203/204 [2]

Окислитель в камеру поступает в составе генераторного газа через газовод, выравнивающую поток решетку и форсунки.

Горючее по двум подводящим трубопроводам поступает в коллектор, откуда 50% расхода поступает в охлаждающий тракт нижнего блока сопла, а остальная, минуя охлаждающий тракт нижнего блока сопла по двум трубопроводам, перебрасывается в коллектор верхнего блока. Это позволяет при достаточно надёжном охлаждении камеры снизить гидравлическое сопротивление тракта охлаждения камеры.

Из коллектора горючее поступает в охлаждающий тракт, смешивается с потоком из тракта нижнего соплового блока и, по выходе из тракта, через двухкомпонентные форсунки поступает в камеру сгорания.

Из охлаждающего тракта часть горючего вводится в камеру для организации внутреннего охлаждения камеры с помощью завесы (ввод через три пояса). Расход горючего на внутреннее охлаждение камеры составляет 3.4% от суммарного расхода топлива.

Для предотвращения возможности попадания во внутреннюю полость камеры влаги, пыли и т.д. в проточной части камеры в районе критики на клею устанавливается заглушка, выбиваемая давлением при запуске.


Рис.3.2. Камера двигателя РД-0203 в разрезе [4]

Турбонасосный агрегат

Конструкция ТНА - одновальная. Вал устанавливается на трех шарикоподшипниковых опорах. Опора, расположенная в корпусе турбины, выполнена на двух подшипниках.

Охлаждение и смазка подшипников опор в турбине и насосе окислителя производится окислителем. Подшипник опоры вала в насосе горючего охлаждается и смазывается горючим.

Таблица 3. Технические параметры ТНА [2]
Параметр Значение Единицы
Частота вращения ротора ТНА 2827 с-1
Турбина
Диаметр колеса 204 мм
Мощность 8215.5 кВт
КПД 0.702
Перепад давления на турбине 1.73
Степень реактивности 0.5
Насос окислителя
Наружный диаметр колеса 144.5 мм
Давление на входе 0.3 МПа
Давление на выходе 30.7 МПа
Потребляемая мощность 4964.6 кВт
КПД 0.65
Насос горючего
Наружный диаметр колеса 182 мм
Давление на входе 0.4 МПа
Давление на выходе 34.8 МПа
Потребляемая мощность 3250.9 кВт
КПД 0.745

Корпус турбины изготовлен из стали ЭИ388. Рабочее колесо турбины выполнено методом точного литья по выплавляемым моделям из жаропрочного сплава

Вал изготовлен из стали ЭП288. Заодно с валом выполняется шнек и гидрозатвор окислителя. Поверхности вала, на которые опирается манжеты, покрыты слоем хрома.

Корпуса насосов выполняются из стали ЭП288. Рабочие колеса изготовлены из стали СН-3 методом точного литья по выплавляемым моделям.

Эжектор горючего

Эжектор - преднасос горючего предназначен для повышения антикавитационных качеств насоса горючего, что обеспечивает работу двигателя при низком давлении в баке горючего.


Рис.5. Эжектор горючего [2]

Эжектор горючего выполнен с двенадцатью насадками 4, расположенными по периферии проточной части. Он состоит из корпуса 5, смесительной камеры 6, фланцев 2 и 7. На корпусе расположен коллектор 3 с натрубком 1, через который происходит подвод рабочей жидкости к насадкам.

Эжектор выполняется сварным. Материалы: сталь ЭП288, сталь Х18Н10Т. Коллектор выполнен штампованным из листового материала сталь Х17Н5МЗ.

Эжектор окислителя

Эжектор - преднасос окислителя предназначен для повышения антикавитационных качеств насоса окислителя, что обеспечивает работу двигателя при низком давлении в баке окислителя.


Рис.6. Эжектор окислителя [2]

Эжектор окислителя выполнен с насадками 4 и 9, расположенными в двух поясах по периферии проточной части (по двенадцать насадков в каждом поясе). Он состоит из корпуса 8 с насадками, смесительной камеры 6 и фланцев 2 и 6. На корпусе расположены коллекторы 1 и 7 с патрубком 3 подвода рабочей жидкости к насадкам.

Коллекторы выполнены штампованными из стали Х17Н5МЗ. Конструкция эжектора - сварная. Материал - ЭП288 и Х18Н10Т.

Работа эжекторов

Жидкость, подводимая к насадкам , отбирается из магистрали компонента за насосом. Через насадки с большой скоростью происходит истечение компонентов в поток жидкости, проходящей через эжектор.

В результате смешения обоих потоков в эжекторе происходит изменение количества движения основного (эжектируемого) потока, как следствие, повышение давления на выходе из эжектора.

Газогенератор

Газогенератор выполнен по двухзонной схеме с балластировкой газа во 2-й зоне.

Таблица 4. Технические параметры газогенератора
Параметр Значение Единицы
Давление в камере 27.83 МПа
Расход горючего 5.6 кг/с
Массовое соотношение в I зоне 12.25
Массовое соотношение в II зоне 23.2
Температура газа на выходе из ГГ 600 К
Перепад на форсунках "O" 2 МПа
Перепад на форсунках "Г" 0.4 МПа
Диаметр камеры сгорания 220 мм
Общая длина 530 мм
Сухая масса 42 кг


Рис.7.1. Газогенератор [2]

Газогенератор представляет собой неразъемную сварную конструкцию, состоящую из камеры газогенератора 24, головки 26, смесителя 19, трубы подвода 25 и переходника 18.

Камера состоит из двух оболочек: наружной 8 и внутренней 9, связанных между собой гофрированной проставкой 6. Проставка припаяна к оболочкам припоем Г70НХ. Камера охлаждается горючим, поступающим через натрубок 22 и коллектор 23 в межрубашечное пространство, а затем в головку. Головка газогенератора представляет собой паяно-сварной узел, состоящий из блоке форсунок 4, днища 3, переходника 1 и отражателя 2.

Головка газогенератора имеет 91 основных м 30 периферийных форсунок. Основные форсунки - двухкомпонентные, центробежные, тангенциального типа с наружным смешением компонентов. Периферийные форсунки - однокомпонентные (окислительные) - служат для организации пристеночного слоя с относительно низкой температурой.

Газовые втулки 13 служат для перепуска газа из камеры газогенератора в смеситель. Суммарная площадь проходного сечения газовых втулок определена из условия протекания газа через балластировочную решётку со скоростями не более 100 м/с (исходя из допустимой величины потерь).

Балластировка осуществляется 36-ю цетробежными форсунками закрепленными пайкой на переднем днище узла с направлением впрыска против газового потока, а также струйными форсунками, выполненными в газовых втулках с направлением впрыска перпендикулярно газовому потоку.

Газогенератор запускается с опережением поступления в камеру окислителя по отношению к горючему на 0.09-0.10 с. После стабилизации процесса - температура в камере 1600-1900 К, температура в пристеночном слое 750-850 К.

Неравномерность температурного поля генераторного газа, поступающего с выхода ГГ на турбину, ±35°С от номинального (600К) значения.


Рис.7.2. Газогенератор двигателя РД-0203 в разрезе [4]

Агрегаты автоматики


Рис.8. Регулятор [2]


Рис.9. Дроссель [2]


Рис.10. Пусковой клапан [2]


Рис.11. Клапан эжектора [2]


Рис.12. Клапан воздуха [2]


Рис.13. Клапан отсечки запуска [2]


Рис.14. Клапан окислителя [2]


Рис.15. Клапан отсечки горючего [2]


Рис.16. Клапан отсечки горючего [2]

Модификации

РД-0205


Рис.18. РД-0205 [3]

РД-0208/0209

РД-0210/0211


Рис.18. РД-0210 [3]

На двигателе РД-0211, в отличие от РД-0210, установлены агрегаты наддува баков аналогичные агрегатам двигателя РД-253 - газогенератор наддува бака горючего и смеситель наддува бака окислителя. При установке на вторую ступень РН Протон все ЖРД с помощью цапф закреплены в ферме таким образом, что допускают отклонение любого из них на углы до 3 градусов 15 минут с помощью гидравлических приводов.

РД-0212


Рис.19. РД-0212 [3]

Двигательная установка РД-0212 состоит из маршевого ЖРД РД-0213 и четырехкамерного рулевого ЖРД РД-0214. Маршевый двигатель РД-0213 по устройству и работе аналогичен двигателю РД-0210 и является его модификацией - на нем с целью размещения элементов рулевого двигателя изменена компоновка подводящих магистралей и ряда агрегатов.

Рулевой двигатель РД-0214 выполнен по схеме без дожигания с насосной системой подачи топлива на базе одного ТНА, приводимого во вращение двумя турбинами, работающими на различных (окислительном и восстановительном) газах. Выхлопные газы после турбин используются для наддува баков ускорителя. Камеры ЖРД максимально разнесены по диаметру ступени и подвешены шарнирно на цапфах. Для управления полетом ступени камеры могут отклоняться с помощью электроприводов на углы до 45 градусов.


Рис.20. Схема РД-0214 [11]
1 - клапан газогенератора; 2 - газогенератор горючего; 3 - пусковой клапан горючего; 4 - наддув в бак горючего; 5 - стартер; 6 - регулятор; 7 - клапан; 8 - клапан КС; 9 - камера сгорания; 10 - сильфон; 11 - стабилизатор; 12 - наддув в бак окислителя; 13 - пусковой клапан окислителя; 14 - клапан газогенератора; 15 - газогенератор окислителя; 16 - клапан газогенератора; 17 - узел качания.

Использованные источники информации

  1. Сайт КБХА
  2. Пинчук В.А., Тонышев В.М., Учебно-методическое пособие по лабораторной работе "Изучение изделий 8Д43/8Д44". Ленинградский механический институт имени Маршала Устинова
  3. Авиационные, ракетные, морские, промышленные двигатели. 1944-2000. Справочник.
  4. Демонстрационный зал филиала МГТУ в Орево
  5. РД-0208, РД-0209
  6. РД-0210, РД-0211
  7. РД-0212 (РД-0213 + РД-0214)
  8. Владимир Рачук, "Будет ли летать Протон?"
  9. Гудилин В.Е. Ракетный комплекс УР-500
  10. Описание ракеты-носителя «Протон-К». ГКНПЦ им. М.В.Хруничева
  11. Уманский С. Ракеты-носители. Космодромы.